سلام دوستان !
در این مطلب پنج تست از القای الکترومغناطیس ( فصل 4 فیزیک یازدهم ) و مطابق با بودجه بندی آزمون 26 شهریور برای شما قرار دادیم .
پاسخ سوالات و فایل اصلی را در قسمت فایل های ضمیمه می توانید دانلود کنید .
اگر از این مطلب سوالی دارید در قسمت کامنت ها می توانید بپرسید .
همچنین می توانید برای ارتباط با رتبه برترهای کانون صفحه اینستاگرام رتبه برترها را دنبال کنید .
رادمن سرداری - دانشجوی مهندسی مکانیک دانشگاه خواجه نصیر
تست 1 ( آزمون 96/2 قلمچی )
سطح یک قاب مربع شکل به مساحت 100 سانتی متر مربع موازی خطوط یک میدان مغناطیسی یکنواخت به بزرگی 400 گاوس قرار دارد . اگر قاب در مدت 0.1 ثانیه ، 37 درجه دوران کند ، بزرگی نیروی محرکۀ القایی متوسط در قاب چند میلی ولت می شود ؟
| 1 ) 2 | 2 ) 2.4 | 3 ) 3.2 | 4 ) 4 |
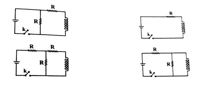
تست 2 ( آزمون 93/1 قلمچی )
در هر یک از مدارهای زیر ، القاگر دارای مقاومت الکتریکی ناچیز و همۀ مقاومت ها و مولد های همۀ شکل ها یکسان است و مقاومت درونی آنها ناچیز است . در کدام گزینه بلافاصله پس از بستن کلید k جریان عبوری از باتری بیشترین مقدار را نسبت به سایر مدارها دارد ؟

تست 3 ( آزمون 93/2 قلمچی )
در مدار شکل زیر ، یک هستۀ آهنی را وارد سیملوله کرده و سپس از آن خارج می سازیم . اگر V2 , V1 به ترتیب از راست به چپ عددهایی باشند که ولت سنج ایده آل در حین ورود و خروج هسته نشان می دهد ، در آن صورت کدام گزینه می تواند صحیح باشد ؟

| 1 ) V1 > V2 | 2 ) V2 > V1 | 3 ) V1 = V2 |
| 4 ) بستگی به مقدار ضریب القاوری سیملوله ، هریک از سه گزینه می تاوند صحیح باشد . | ||
تست 4 ( آزمون 93/3 قلمچی )
مطابق شکل زیر ، دو حلقۀ رسانا در مجاورت یک سیم نازک ، مستقیم و دراز که حامل جریان ثابت I است ، در یک صفحه قرار دارند . این دو حلقه با سرعت های ثابت و یکسان ولی در جهت های متفاوت حرکت می کنند . در این حالت در ... نیروی محرکه ای القا نمی شود و همچنین سوی جریان القایی ایجاد شده در ... خواهد بود .
| 1 ) حلقۀ ( 1 ) – حلقۀ ( 2 ) ساعتگرد | 2 ) حلقۀ ( 1 ) – حلقۀ ( 2 ) پادساعتگرد | 3 ) حلقۀ ( 2 ) – حلقۀ ( 1 ) ساعتگرد | 4 ) حلقۀ ( 2 ) – حلقۀ ( 1 ) پادساعتگرد |

تست 5 ( آزمون 92/2 قلمچی )
پیچه ای مسطح شامل 5000 دور با مقاومت الکتریکی با مقاومت الکتریکی 50 اهم مفروض است . اگر شار مغناطیسی عبوری از آن در مدت زمان ∆tاز 25mWb به 35mWb برسد ، مقدار بار الکتریکی عبوری از هر مقطع سیم این پیچه در این مدت چند کولن است ؟
| 1 ) 1 | 2 ) 2 | 3 ) 1000 | 4 ) 2000 |
